销售热线:15063090700
售后服务:400-8582008
新闻资讯
青岛迪凯-您身边的搅拌方案解决专家!
注重品质,过硬技术,信誉良好
新闻资讯
DEXMIX
联系我们
CONTACT US
全国服务热线
0532-68016326
150-6309-0700
邮箱:info@dexmix.com
销售:0532-68016326
售后:400-8582008
地址:青岛市城阳区李仙庄工业园

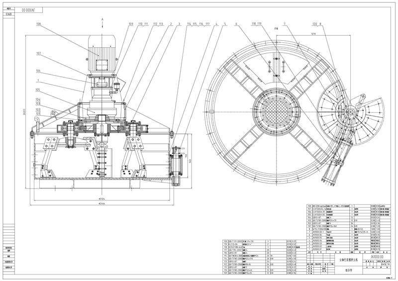
青岛立轴行星式搅拌机结构特色

作者:迪凯机械  点击:4177次
  青岛立轴行星式搅拌机通过采用一体式双向搅拌减速机,全油浴润滑方式,这种减速机可以使设备进行行星搅拌。立轴行星式搅拌机通过行星搅拌轨迹可以使设备具备良好的搅拌混合性能,设备可进行分散混合和分布混合。立轴行星式搅拌机的在混合时间和设备可混合强度方便可根据工况的实际情况进行调节,直至达到搅拌混合质量要求,且在混合过程中可直观地检查搅拌料的混合状态。
青岛立轴行星式搅拌机结构及设备特色

青岛立轴行星式搅拌机结构特色

立轴行星式搅拌机驱动装置:
  立轴行星式搅拌机采用单电机驱动方式,这一驱动方式可有 效杜绝输出不同步的现象,因此不管是何种水泥制品生产线,都能保证有足够的生产线布置空间,且设备美观、空间明朗。
立轴行星式搅拌机运行特色:
  立轴行星式搅拌机新优化的搅拌运动轨迹是一种搅拌效率高、搅拌匀质性高的无 死角运动轨迹曲线,立轴行星式搅拌机运动轨迹的自转 为公转与输出搅拌的自转叠加得 到的,此过程属于增速模式,搅拌快速、省力,轨迹曲线属于层层递进、越来越密集的结构,因此匀质性高(混合均匀度高)、搅拌效率高。
青岛立轴行星式搅拌机结构及设备特色

青岛立轴行星式搅拌机怎么选?

  1、重视质量
  想要用立轴行星式搅拌机生产出高质量、高稳定性的产品,就须使用性能好的立轴行星式搅拌机,一定要谨慎注意立轴行星式搅拌机的设备先进性、功能稳定性以及性价比等,关注立轴行星式搅拌机配置是否优良,生产效率是否符合个人工况,可以进行设备试料判断性能。
  2、选对厂家
  试问怎样的厂家才能生产出精良的立轴行星式搅拌机?不管是规模、技术,这些都是有一定要求的,有着一定生产历史的品牌,在立轴行星式搅拌机生产方面有着丰富的经验和技术积累,用户更可以通过该企业的信誉和口碑来判断出该立轴行星式搅拌机的品质、用户体验,这是选择买与不买该设备的一大参考。
  3、售后服务是硬指标
  即使是再好的设备,也一定会出现或大或小的问题。在购买立轴行星式搅拌机之前一定要确认厂家具备晚上的售后服务系统,一方面可以保证设备故障及时排除,不影响工程项目进度,另一方面,原厂家提供相关配件保证了搅拌机整体性能、使用效果。

相关推荐